| штат: | |
|---|---|
| Количество: | |
YX154-86
BMS
| Нет. | Основные параметры | Ролл формируя параметры мельницы | ||
| 1 | Размер версии Толерантность | Форма фабрики ± 0,5 мм Прямолинейность 6 м ± 2 мм | Формируя шаг | 29 шаг |
| 2 | Допуск длины | ± 0,5 мм (6 м) | База | H450. |
| 3 | Толщина осмотра | 1,0 мм | Толщина боковой стенки | 18 мм |
| 4 | Скорость продукта | 12-15 м / мин | Вал | 45 # сталь, Φ75 мм |
| 5 | Материал приложения | Гальванизированный лист (GI), Холоднокатаный лист | Ролик | 45 # сталь, грубый поворот, токарные станки с ЧПУ, термообработка, матовый и полированный |
| 6 | Выходная сила | 235-345MPA | Главный мотор | 11кВт |
| 7 | Машина Размер | Толерантность ± 1 мм (6 м) | Снизить скорость | K серии |
| 8 | Толщина материала | 1,0 мм | Цепь | Ziqiang |
| 9 | Система контроля | Система управления PLC | Скорость формирования | 12-15 м / мин |
| 10. | Тестирующий материал | BMS предоставит размер кормления материала для покупки, что за 2 недели до тестирования машин | ||
Рабочий поток
Руководство по питанию Устройство → Главный рулон Формирующая мельница → Система ПЛК → Законченная формат и выпуск профиля
→ Гидравлический пост-резак → Выходная стойка
Отображение компонентов машин

Устройство питания Ролл формируя мельницу

Готовая выпускная розетка и профиль Задача приложения продукта
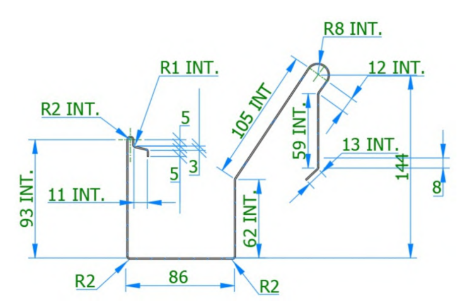
Машина производится продуктами

| Нет. | Основные параметры | Ролл формируя параметры мельницы | ||
| 1 | Размер версии Толерантность | Форма фабрики ± 0,5 мм Прямолинейность 6 м ± 2 мм | Формируя шаг | 29 шаг |
| 2 | Допуск длины | ± 0,5 мм (6 м) | База | H450. |
| 3 | Толщина осмотра | 1,0 мм | Толщина боковой стенки | 18 мм |
| 4 | Скорость продукта | 12-15 м / мин | Вал | 45 # сталь, Φ75 мм |
| 5 | Материал приложения | Гальванизированный лист (GI), Холоднокатаный лист | Ролик | 45 # сталь, грубый поворот, токарные станки с ЧПУ, термообработка, матовый и полированный |
| 6 | Выходная сила | 235-345MPA | Главный мотор | 11кВт |
| 7 | Машина Размер | Толерантность ± 1 мм (6 м) | Снизить скорость | K серии |
| 8 | Толщина материала | 1,0 мм | Цепь | Ziqiang |
| 9 | Система контроля | Система управления PLC | Скорость формирования | 12-15 м / мин |
| 10. | Тестирующий материал | BMS предоставит размер кормления материала для покупки, что за 2 недели до тестирования машин | ||
Рабочий поток
Руководство по питанию Устройство → Главный рулон Формирующая мельница → Система ПЛК → Законченная формат и выпуск профиля
→ Гидравлический пост-резак → Выходная стойка
Отображение компонентов машин

Устройство питания Ролл формируя мельницу

Готовая выпускная розетка и профиль Задача приложения продукта
Машина производится продуктами
