| штат: | |
|---|---|
| Количество: | |
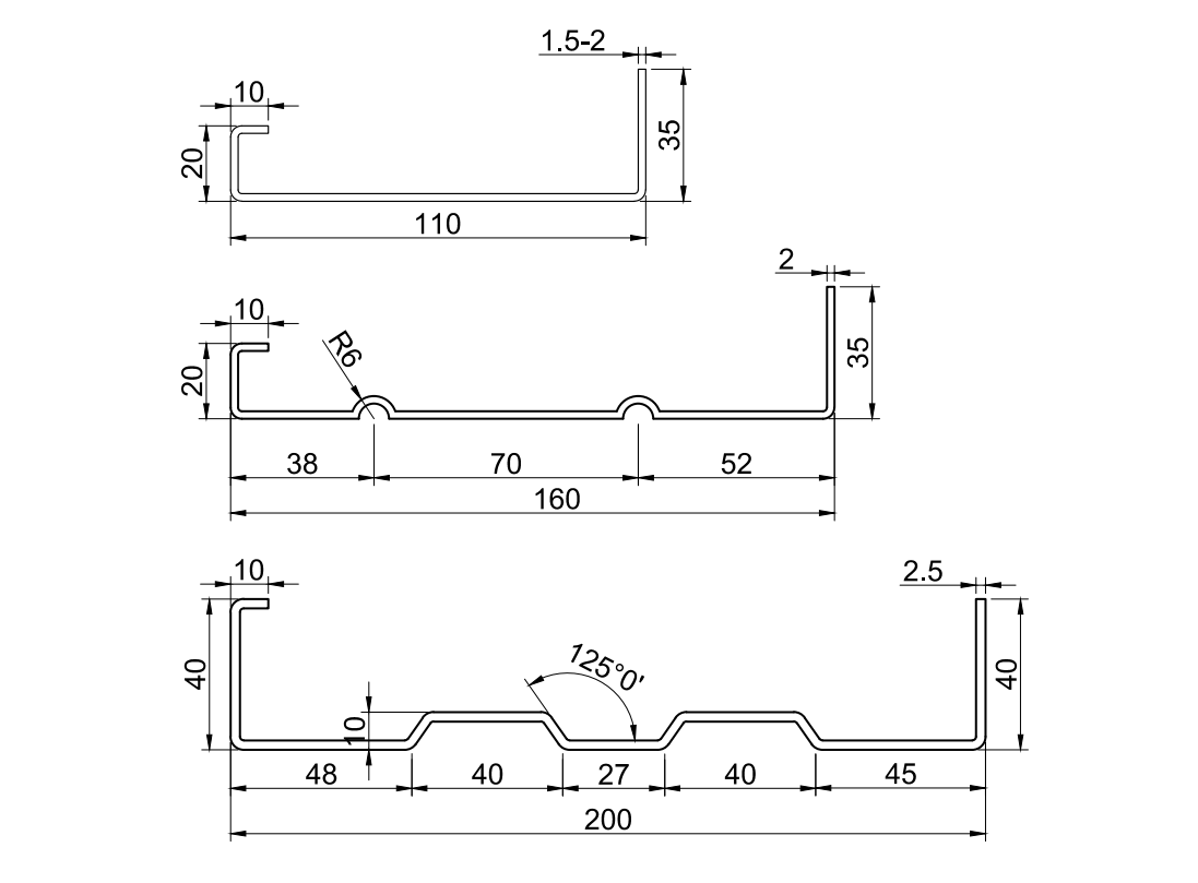
YX20,35,40-110160200
BMS
8455221000
Профиль
| Материал | Применимый материал | Холоднокатаный лист |
Толщина материала | 1,2 мм/1,5 мм/2,0 мм/2,5 мм | |
С пределом текучести | 310-440 МПа | |
| Катушка | Ширина подачи | 600 мм |
Диапазон идентификаторов катушек | 508 мм±30 мм | |
Емкость | Макс.5 тонн. | |
Машина | Базовая рама | Сталь типа Н450 методом сварки. |
| Толщина боковой стенки | Q235 т25мм | |
Материал ролика | Сталь GCr15 (= сталь EN31), прецизионная обработка, термообработка, HRC58-62 | |
Роликовая станция | 18 шагов к формированию | |
Диаметр вала | ф80 мм, высокочастотная обработка | |
Резак | Твердость | Термическая обработка до степени HRC58-62. |
Допуск на резку | ≤±1 мм | |
| Власть | Путь вождения | Шестерня/звездочка передачи |
| Главный мотор | 18,5 кВт, контроль частоты и скорости | |
| Мотор насоса для фрезы | 5,5 кВт | |
Система управления ПЛК | Инвертор | Schneider Electric/DELTA (тайваньский бренд) |
Сенсорный экран | WEINVIEW (Тайваньский бренд) | |
Кодер | KOYO (японский бренд) или OMRON (японский бренд) | |
Управляющее напряжение | 24В |
1. Одна машина для нескольких профилей: любой размер в пределах стенки 60–200 мм и полки 20–40 мм), экономия инвестиций и места;Конструкция автоматического изменения размера для высокой эффективности работы.
2. Ролик закален после чистовой обработки подшипниковой сталью GCr15. (=сталь EN31) и твердохромированные для длительного срока службы более 10 лет.
3. Главный профилегибочный стан (автоматическое изменение формата)
Гидравлический разматыватель 5T→Устройство выравнивания→Направляющее устройство серводвигателя→Перфоратор
Система профилирования рулонов→Гидравлическое устройство для резки столбов→Выходная стойка
Технический спецификациянс
1) 5Т Гидравлический разматыватель: один комплект
Усадка и остановка внутреннего отверстия стальной катушки гидравлического управления
Максимальная ширина подачи: 600 мм
Диапазон идентификаторов катушек:508±30 мм,Наружный диаметр:1500 мм
Двигатель масляного насоса:2,2 кВт
Емкость:Макс.5 тонн
Добавьте мощность автоматической подачи и устройство самоостановки
Вверх Три вниз Четыре полностью Семь роликовое выравнивающее устройство
С направляющей для подачи материала, корпус из Н450 набрать сталь сваркой
Валы изготовлены из сталь 45#,Закалка и отпуск, термообработка, твердое хромирование.Диаметр=φ90 мм, прецизионная обработка
3) Сервопривод и штамповочный станок
125 тонн ВЫСОКОСКОРОСТНОЙ штамповочный станок перед формовкой рулона оснащен одним комплектом штамповочной модели. Штамповочный станок с четырех сторон с защитной крышкой и одна сторона с открытой дверью. Управление системой ПЛК.

4) Главный Мболит
Ролики изготовлены из подшипниковой стали. GCr15(=сталь EN31)прецизионная обработка, твердое хромированное покрытие; толщина 0,04 мм, поверхность с зеркальной обработкой (для более длительного срока службы и защиты от ржавчины);
Каркас кузова изготовлен из 450# Ч набрать сталь сваркой
Скорость формования: около 20 м/мин.
5) Гидравлический Почтовый резак
Сообщение для резки, остановка для резки, конструкция из трех частей режущего лезвия
Гидравлический двигатель:5,5 кВт;Давление резания:0-16 МПа
Материал режущего инструмента:Cr12MoV(= сталь SKD11),Термическая обработка HRC58-62
С сокращением жизни по меньшей мере в миллион раз
Мощность резки обеспечивается главной гидравлической станцией двигателя.
6) Система управления ПЛК
Автоматически контролируйте количество и длину резки.
Введите производственные данные (производственная партия, шт., длина и т. д.) на сенсорный экран.
Он может завершить производство автоматически.
В сочетании с: ПЛК, инвертором, сенсорным экраном, кодировщиком и т. д.
7) Выходная стойка:
Без питания, два блока, с роликами для легкого перемещения.
8) Демонстрация продукта
Способ упаковки:Основная часть машины обнажена и покрыты полиэтиленовой пленкой (для защиты от пыли и коррозии),загружен в контейнер и прочно закреплен в контейнере, подходящем для стального троса и замка, подходящем для транспортировки на большие расстояния.

Послепродажное обслуживание
1. гарантия есть 24 месяцы после получения машины клиентом.
В течение 24 месяцев мы бесплатно доставим клиенту запасные части.
2. Мы предлагаем техническую поддержку на протяжении всего срока службы наших машин.
3. Мы можем отправить наших технических специалистов для установки и обучения работников на заводах клиентов с помощью Дополнительная стоимость.

Профиль
| Материал | Применимый материал | Холоднокатаный лист |
Толщина материала | 1,2 мм/1,5 мм/2,0 мм/2,5 мм | |
С пределом текучести | 310-440 МПа | |
| Катушка | Ширина подачи | 600 мм |
Диапазон идентификаторов катушек | 508 мм±30 мм | |
Емкость | Макс.5 тонн. | |
Машина | Базовая рама | Сталь типа Н450 методом сварки. |
| Толщина боковой стенки | Q235 т25мм | |
Материал ролика | Сталь GCr15 (= сталь EN31), прецизионная обработка, термообработка, HRC58-62 | |
Роликовая станция | 18 шагов к формированию | |
Диаметр вала | ф80 мм, высокочастотная обработка | |
Резак | Твердость | Термическая обработка до степени HRC58-62. |
Допуск на резку | ≤±1 мм | |
| Власть | Путь вождения | Шестерня/звездочка передачи |
| Главный мотор | 18,5 кВт, контроль частоты и скорости | |
| Мотор насоса для фрезы | 5,5 кВт | |
Система управления ПЛК | Инвертор | Schneider Electric/DELTA (тайваньский бренд) |
Сенсорный экран | WEINVIEW (Тайваньский бренд) | |
Кодер | KOYO (японский бренд) или OMRON (японский бренд) | |
Управляющее напряжение | 24В |
1. Одна машина для нескольких профилей: любой размер в пределах стенки 60–200 мм и полки 20–40 мм), экономия инвестиций и места;Конструкция автоматического изменения размера для высокой эффективности работы.
2. Ролик закален после чистовой обработки подшипниковой сталью GCr15. (=сталь EN31) и твердохромированные для длительного срока службы более 10 лет.
3. Главный профилегибочный стан (автоматическое изменение формата)
Гидравлический разматыватель 5T→Устройство выравнивания→Направляющее устройство серводвигателя→Перфоратор
Система профилирования рулонов→Гидравлическое устройство для резки столбов→Выходная стойка
Технический спецификациянс
1) 5Т Гидравлический разматыватель: один комплект
Усадка и остановка внутреннего отверстия стальной катушки гидравлического управления
Максимальная ширина подачи: 600 мм
Диапазон идентификаторов катушек:508±30 мм,Наружный диаметр:1500 мм
Двигатель масляного насоса:2,2 кВт
Емкость:Макс.5 тонн
Добавьте мощность автоматической подачи и устройство самоостановки
Вверх Три вниз Четыре полностью Семь роликовое выравнивающее устройство
С направляющей для подачи материала, корпус из Н450 набрать сталь сваркой
Валы изготовлены из сталь 45#,Закалка и отпуск, термообработка, твердое хромирование.Диаметр=φ90 мм, прецизионная обработка
3) Сервопривод и штамповочный станок
125 тонн ВЫСОКОСКОРОСТНОЙ штамповочный станок перед формовкой рулона оснащен одним комплектом штамповочной модели. Штамповочный станок с четырех сторон с защитной крышкой и одна сторона с открытой дверью. Управление системой ПЛК.

4) Главный Мболит
Ролики изготовлены из подшипниковой стали. GCr15(=сталь EN31)прецизионная обработка, твердое хромированное покрытие; толщина 0,04 мм, поверхность с зеркальной обработкой (для более длительного срока службы и защиты от ржавчины);
Каркас кузова изготовлен из 450# Ч набрать сталь сваркой
Скорость формования: около 20 м/мин.
5) Гидравлический Почтовый резак
Сообщение для резки, остановка для резки, конструкция из трех частей режущего лезвия
Гидравлический двигатель:5,5 кВт;Давление резания:0-16 МПа
Материал режущего инструмента:Cr12MoV(= сталь SKD11),Термическая обработка HRC58-62
С сокращением жизни по меньшей мере в миллион раз
Мощность резки обеспечивается главной гидравлической станцией двигателя.
6) Система управления ПЛК
Автоматически контролируйте количество и длину резки.
Введите производственные данные (производственная партия, шт., длина и т. д.) на сенсорный экран.
Он может завершить производство автоматически.
В сочетании с: ПЛК, инвертором, сенсорным экраном, кодировщиком и т. д.
7) Выходная стойка:
Без питания, два блока, с роликами для легкого перемещения.
8) Демонстрация продукта
Способ упаковки:Основная часть машины обнажена и покрыты полиэтиленовой пленкой (для защиты от пыли и коррозии),загружен в контейнер и прочно закреплен в контейнере, подходящем для стального троса и замка, подходящем для транспортировки на большие расстояния.

Послепродажное обслуживание
1. гарантия есть 24 месяцы после получения машины клиентом.
В течение 24 месяцев мы бесплатно доставим клиенту запасные части.
2. Мы предлагаем техническую поддержку на протяжении всего срока службы наших машин.
3. Мы можем отправить наших технических специалистов для установки и обучения работников на заводах клиентов с помощью Дополнительная стоимость.
