| штат: | |
|---|---|
| Количество: | |
YX14.3-30.25 & YX18.5-21.4
BMS
Теплица C Профиль рулон формирования машины
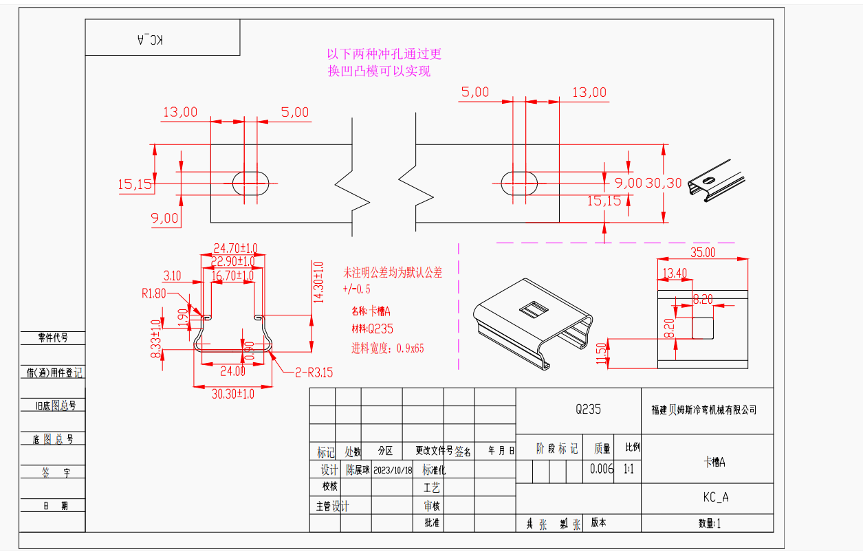
Профиль
профиль E1
Профиль 2
| Материал | Применимый материал | Magnelis DX51 |
Толщина материала | 0,9 и 1,9 мм | |
С силой урожая | Q235-345MPA | |
Машина | Базовый кадр | H300+H200 Тип стали путем сварки. |
| Толщина боковой стенки | Q235 T28mm | |
Ролик материал | Стальная подшипника GCR15 (= en31 сталь), точная обработка, твердое хромированное покрытие | |
Станция ролика | 22 шага и 16 шагов для формирования | |
Диаметр вала | Ф.50 мм, высокочастотная обработка | |
| Власть | Езда на пути | Передача передач/звездочка |
| Главный мотор | 11 кВт, управление скоростью частоты | |
Система управления ПЛК | Инвертор | Дельта / Тайвань Шилин / Шнайдер |
Сенсорный экран | Weinview / Siemens / Schneider | |
Энкодер | Koyo (Japan Brand) или Omron (Japan Brand) | |
Управляющее напряжение | 24 В |
Декуйлер → Устройство кормления и выравнивания → Гидровое устройство предварительного выреза и удара → Система формирования катания (тип кассета) → Гидравлическая пост-резка →
Технические спецификации
1) Гидравлический декуйлер : один набор
Автоматически управлять стальной катушкой внутренней усадки и остановки,
С электрическим шкафом управления
Максимум Ширина кормления: 600 мм, диапазон идентификации катушки: 470 - 560 мм.
Максимальная емкость: 5tons, без мощности кормления, гидравлический двигатель: 2,2 кВт
С гидом с материалом для кормления и 7 роликами (3 верхних роликов и 4 вниз по роликам) для выпрямления и выравнивания
С помощью удара пулем с
Рама корпуса, изготовленная из стали H300# путем сварки;
Кассет -корпус рама из стали 200# H типа путем сварки
Толщина боковой стенки: 18 мм
Ролики, изготовленные из стальной стали GCR15 (= en31 сталь) , точная обработка, жесткий хромированный покрытый
Движение двигателя, трансмиссия цепочки передач, около 22 +16 шагов к формированию
Главный двигатель = 11 кВт , управление скоростью частоты
Скорость производства ок. 11 м/мин (включая удар и время резки)
3) Гидравлическое устройство после резки
Предварительное переголо
Гидравлический мотор: 4 кВт , диапазон гидравлического давления: 16 МПа
4) Система управления ПЛК
Управляйте количеством и длиной резки автоматически.
Введите производственные данные (производственная партия, ПК, длина и т. Д.) На сенсорном экране.
Он может завершить производство автоматически.
В сочетании с: PLC, инвертором, сенсорным экраном, кодером и т. Д.
5) Выходная стойка
6) Продукты показывают
Метод упаковки: Основной корпус машины обнаженная и покрыта пластиковой пленкой (для защиты пыли и коррозии), загруженного в контейнер и неуклонно закрепленную в контейнере, подходящую стальной веревкой и замком, подходящим для транспортировки на дальние расстояния.

Послепродажная служба
1. Гарантия - через 24 несколько месяцев после того, как клиент получает машину.
В течение 24 месяцев мы бесплатно проведем запасные детали для клиента.
2. Мы предлагаем техническую поддержку всей жизни наших машин.
3. Мы можем отправить наших специалистов для установки и обучения работников на фабриках клиентов с дополнительной стоимостью.

Теплица C Профиль рулон формирования машины
Профиль
профиль E1
Профиль 2
| Материал | Применимый материал | Magnelis DX51 |
Толщина материала | 0,9 и 1,9 мм | |
С силой урожая | Q235-345MPA | |
Машина | Базовый кадр | H300+H200 Тип стали путем сварки. |
| Толщина боковой стенки | Q235 T28mm | |
Ролик материал | Стальная подшипника GCR15 (= en31 сталь), точная обработка, твердое хромированное покрытие | |
Станция ролика | 22 шага и 16 шагов для формирования | |
Диаметр вала | Ф.50 мм, высокочастотная обработка | |
| Власть | Езда на пути | Передача передач/звездочка |
| Главный мотор | 11 кВт, управление скоростью частоты | |
Система управления ПЛК | Инвертор | Дельта / Тайвань Шилин / Шнайдер |
Сенсорный экран | Weinview / Siemens / Schneider | |
Энкодер | Koyo (Japan Brand) или Omron (Japan Brand) | |
Управляющее напряжение | 24 В |
Декуйлер → Устройство кормления и выравнивания → Гидровое устройство предварительного выреза и удара → Система формирования катания (тип кассета) → Гидравлическая пост-резка →
Технические спецификации
1) Гидравлический декуйлер : один набор
Автоматически управлять стальной катушкой внутренней усадки и остановки,
С электрическим шкафом управления
Максимум Ширина кормления: 600 мм, диапазон идентификации катушки: 470 - 560 мм.
Максимальная емкость: 5tons, без мощности кормления, гидравлический двигатель: 2,2 кВт
С гидом с материалом для кормления и 7 роликами (3 верхних роликов и 4 вниз по роликам) для выпрямления и выравнивания
С помощью удара пулем с
Рама корпуса, изготовленная из стали H300# путем сварки;
Кассет -корпус рама из стали 200# H типа путем сварки
Толщина боковой стенки: 18 мм
Ролики, изготовленные из стальной стали GCR15 (= en31 сталь) , точная обработка, жесткий хромированный покрытый
Движение двигателя, трансмиссия цепочки передач, около 22 +16 шагов к формированию
Главный двигатель = 11 кВт , управление скоростью частоты
Скорость производства ок. 11 м/мин (включая удар и время резки)
3) Гидравлическое устройство после резки
Предварительное переголо
Гидравлический мотор: 4 кВт , диапазон гидравлического давления: 16 МПа
4) Система управления ПЛК
Управляйте количеством и длиной резки автоматически.
Введите производственные данные (производственная партия, ПК, длина и т. Д.) На сенсорном экране.
Он может завершить производство автоматически.
В сочетании с: PLC, инвертором, сенсорным экраном, кодером и т. Д.
5) Выходная стойка
6) Продукты показывают
Метод упаковки: Основной корпус машины обнаженная и покрыта пластиковой пленкой (для защиты пыли и коррозии), загруженного в контейнер и неуклонно закрепленную в контейнере, подходящую стальной веревкой и замком, подходящим для транспортировки на дальние расстояния.

Послепродажная служба
1. Гарантия - через 24 несколько месяцев после того, как клиент получает машину.
В течение 24 месяцев мы бесплатно проведем запасные детали для клиента.
2. Мы предлагаем техническую поддержку всей жизни наших машин.
3. Мы можем отправить наших специалистов для установки и обучения работников на фабриках клиентов с дополнительной стоимостью.
