| штат: | |
|---|---|
| Количество: | |
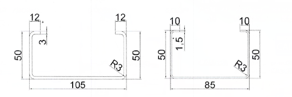
YX50-85/YX50-105
BMS

| Нет. | Основные параметры | Параметры профилегибочного стана | ||
| 1. | Толщина материала | 1,5-3,0 мм | Формовочные станции | 14 шагов |
| 2. | Ширина подачи | Судя по рисунку | Каркас кузова | Н400 |
| 3. | Материал применения | Оцинкованный лист | Толщина боковой стенки | 25 мм |
| 4. | Электрический стандарт | 380В50Гц/3Ф | Вал Диаметр | 45# сталь,80φ/φ65 мм |
| 5. | Диаметр ручного разматывателя | 508±30 мм | Мощность главного двигателя | 18,5 КВт |
| 6. | Предел текучести | G550МПа | Винтовые болты | Оценка 8,8 |
| 7. | Скорость формирования | 25 м/мин | Эффективная ширина | Как дизайн клиента |
| 8. | Система управления | Система управления ПЛК | Ролик | Сталь Cr12, токарные станки с ЧПУ, термообработка, твердое хромированное покрытие. |
| 9. | Гидравлический двигатель | 7,5 кВт | Цвет машины | Синий+Черный+Оранжевый |
Рабочий процесс
Гидравлический разматыватель (5 тонн) → Направляющая подачи/Устройство выравнивания/пробивания →Гидравлический предварительный резак→ Профилегибочный стан главного валка → Гидравлический резак для столбов → Система управления ПЛК →Выходная стойка (3M*2)
Отображение компонентов машины
Устройство выравнивания
Сообщение для резки, остановка резки, конструкция режущего лезвия из двух частей, без заглушки
Гидравлический двигатель:7,5 кВт ;Давление резания: 0-16 МПа;
Материал режущего инструмента: Cr12Mov(= SKD11 с сроком службы не менее одного миллиона раз), термообработка до степени HRC58-62.
С направляющей для подачи материала, корпус из Н400набрать сталь сваркой
Валы изготовлены из сталь 45#,Закалка и отпуск, термообработка, твердое хромирование.
Диаметр=φ80/φ65 мм, прецизионная обработка
Шкаф управления ПЛК
Пост-резак
Продукция машинного производства


| Нет. | Основные параметры | Параметры профилегибочного стана | ||
| 1. | Толщина материала | 1,5-3,0 мм | Формовочные станции | 14 шагов |
| 2. | Ширина подачи | Судя по рисунку | Каркас кузова | Н400 |
| 3. | Материал применения | Оцинкованный лист | Толщина боковой стенки | 25 мм |
| 4. | Электрический стандарт | 380В50Гц/3Ф | Вал Диаметр | 45# сталь,80φ/φ65 мм |
| 5. | Диаметр ручного разматывателя | 508±30 мм | Мощность главного двигателя | 18,5 КВт |
| 6. | Предел текучести | G550МПа | Винтовые болты | Оценка 8,8 |
| 7. | Скорость формирования | 25 м/мин | Эффективная ширина | Как дизайн клиента |
| 8. | Система управления | Система управления ПЛК | Ролик | Сталь Cr12, токарные станки с ЧПУ, термообработка, твердое хромированное покрытие. |
| 9. | Гидравлический двигатель | 7,5 кВт | Цвет машины | Синий+Черный+Оранжевый |
Рабочий процесс
Гидравлический разматыватель (5 тонн) → Направляющая подачи/Устройство выравнивания/пробивания →Гидравлический предварительный резак→ Профилегибочный стан главного валка → Гидравлический резак для столбов → Система управления ПЛК →Выходная стойка (3M*2)
Отображение компонентов машины
Устройство выравнивания
Сообщение для резки, остановка резки, конструкция режущего лезвия из двух частей, без заглушки
Гидравлический двигатель:7,5 кВт ;Давление резания: 0-16 МПа;
Материал режущего инструмента: Cr12Mov(= SKD11 с сроком службы не менее одного миллиона раз), термообработка до степени HRC58-62.
С направляющей для подачи материала, корпус из Н400набрать сталь сваркой
Валы изготовлены из сталь 45#,Закалка и отпуск, термообработка, твердое хромирование.
Диаметр=φ80/φ65 мм, прецизионная обработка
Шкаф управления ПЛК
Пост-резак
Продукция машинного производства


Профилегибочная машина для производства рулонных жалюзи Готовый продукт
Случай применения (1)
Случай применения (2)

Профилегибочная машина для производства рулонных жалюзи Готовый продукт
Случай применения (1)
Случай применения (2)